Typenschein:
Möchtest du künftig über neue Teile, die genau für dein Bike passen, informiert werden?
Sie haben keine Artikel im Warenkorb.
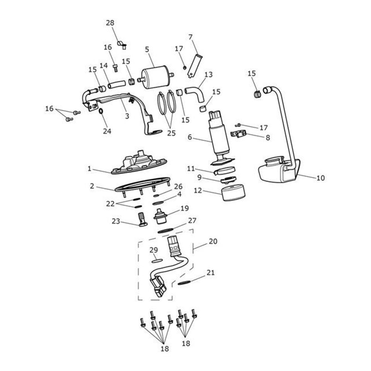
Spares Kit, Pump Plate, FPR
Fuel Pump Plate
Seal, Fuel Pump Plate
Bracket, Fuel Pump
Baffle, Fuel Pump
Fuel Pump Extension Cable
Pipe, Oil Pump Outlet
Pump Assembly, Oil/Water