Typenschein:
Möchtest du künftig über neue Teile, die genau für dein Bike passen, informiert werden?
Sie haben keine Artikel im Warenkorb.
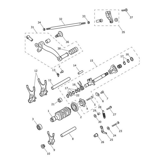
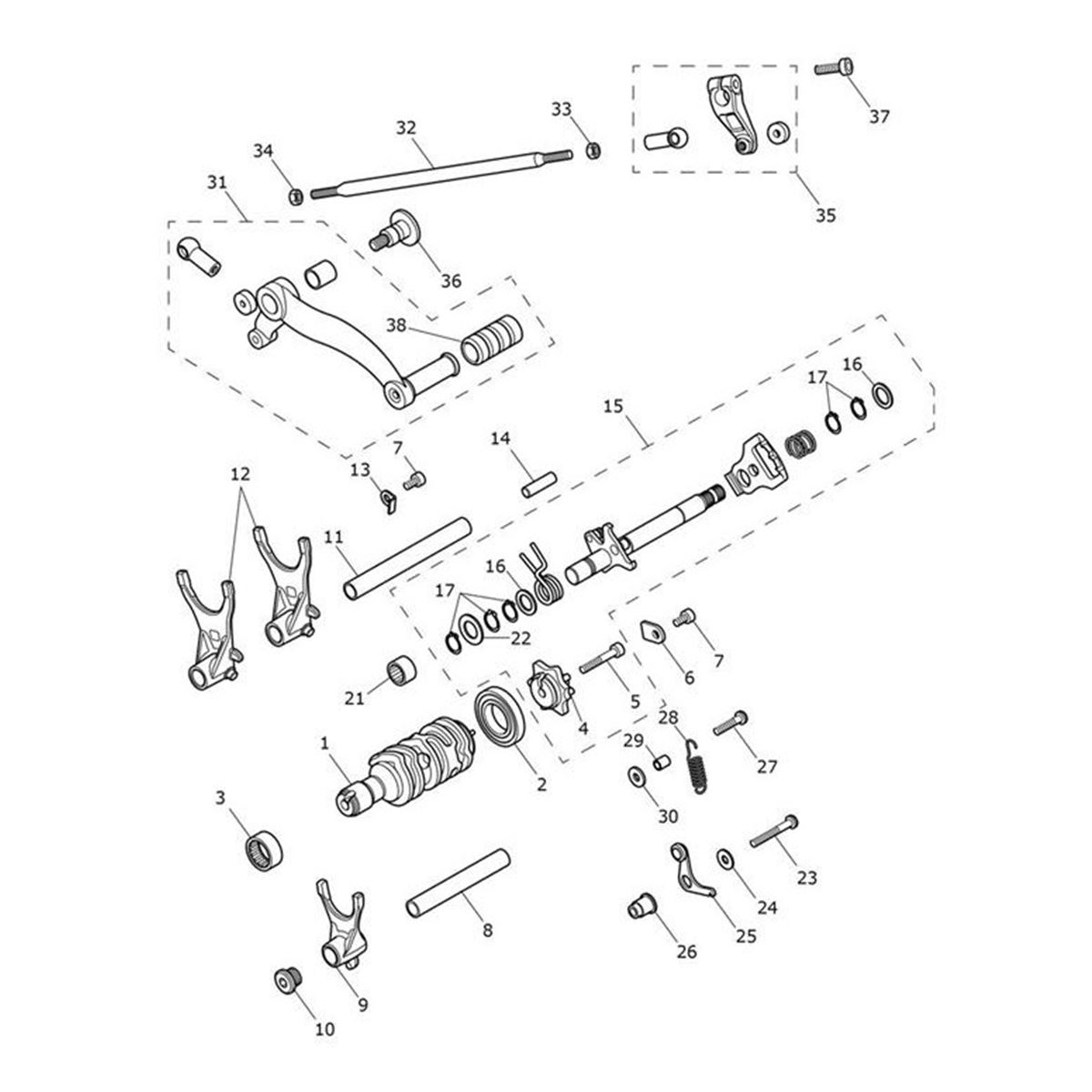
Spares Kit, Pump Plate, FPR
Retainer, Selector Shaft
Selector Shaft, Input
Selector Fork, Input
Selector Fork, Output
Kit, Selector Mechanism, Spares
Drum, Selector, 6 Speed
Crankcase Assembly, Spares